Prodotti
Lavorazione con microerosione elettrica
  • Lavorazione con microerosione elettricaLavorazione con microerosione elettrica
  • Lavorazione con microerosione elettricaLavorazione con microerosione elettrica
  • Lavorazione con microerosione elettricaLavorazione con microerosione elettrica
  • Lavorazione con microerosione elettricaLavorazione con microerosione elettrica

Lavorazione con microerosione elettrica

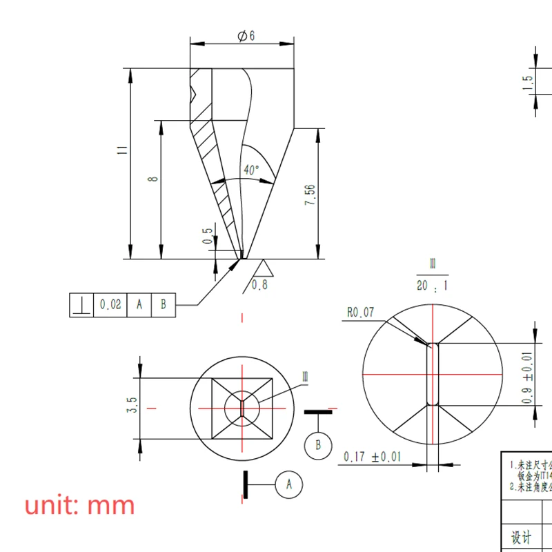
Sanluo Precision è un produttore e fornitore leader di lavorazione con microelettroerosione in Cina, con tecnologia di lavorazione di precisione a livello micro-nano, che fornisce ai clienti servizi di lavorazione microelettroerosione a livello submicronico. Offre servizi di lavorazione microelettroerosione personalizzati professionali per settori di produzione di fascia alta come strumenti di precisione, dispositivi ottici, chip microfluidici, sistemi microelettromeccanici (MEMS) e supporta la personalizzazione di parti complesse e difficili. Supera i limiti della lavorazione tradizionale, realizza lavorazioni ultraprecise su scala micron e soddisfa pienamente i severi requisiti della produzione di fascia alta per la lavorazione con microelettroerosione.

Processo ultrapreciso

L'impianto di lavorazione di Sanluo Precision ha padroneggiato il processo ultrapreciso di lavorazione con microelettroerosione. Rettifica del filo WEDG: la rettifica del filo per elettroerosione a filo di tungsteno da φ0,01 mm a φ0,05 mm viene utilizzata per elaborare elettrodi micro-albero con un diametro da φ 0,02 mm a φ 0,5 mm, precisione del diametro ± 0,001 mm, cilindricità 0,002 mm, rugosità superficiale Ra 0,1 μm. Scarica di microenergia: l'energia del singolo impulso è compresa tra 10⁻⁸ e 10⁻¹⁰ joule, il diametro del punto di scarica è inferiore a 3μm, il materiale viene rimosso a livello atomico e la qualità della superficie è buona. Servo di precisione: risoluzione di alimentazione a livello nanometrico, controllo adattivo del gap, rilevamento in tempo reale dello stato di scarica. Temperatura e umidità costanti: la temperatura dell'ambiente di lavorazione è 20±0,1℃, l'umidità è 50±2%, isolamento attivo dalle vibrazioni per garantire stabilità. Rilevamento online: misurazione laser, interferometro a luce bianca, microscopio a forza atomica, con una precisione fino al livello nanometrico.


Precisione della stazione

Precisione dimensionale

OD

ID

DP

SW

SH

unità:±/mm

0.001

0.001

0.001

0.001

0.001

Precisione geometrica

Rotondità

Coassialità

Cilindricità

Simmetria

Concentricità

unità:±/mm

0.001

0.002

0.002

0.002

0.002

Capacità produttiva

1~999999 pz

1~999999 pz

1~999999 pz

1~999999 pz

1~999999 pz

Ciclo produttivo

3-20 giorni

3-20 giorni

3-20 giorni

3-20 giorni

3-20 giorni


Tecnologia dei microelettrodi

I servizi di lavorazione con microelettroerosione di Sanluo Precision coprono molteplici settori. Stampi di precisione: inserti fini di stampi in plastica con dimensioni comprese tra 0,1 mm e 0,5 mm. Microaste di stampi per metallurgia delle polveri con un diametro di φ0,3 mm e una lunghezza di 15 mm. Settore aerospaziale: fori di pellicola di precisione delle pale di turbine con un diametro del foro di φ0,3~0,8 mm e un angolo di inclinazione di 20~30°. Piastre porose di ugelli del carburante con un diametro del foro compreso tra φ0,15 mm e 0,3 mm e da 50 a 100 fori. Micro denti di bisturi chirurgici minimamente invasivi con un passo dei denti di 0,2 mm e un'altezza dei denti di 0,03 mm. Fori laterali dei cateteri con un diametro di φ0,1~0,3mm e distribuzione uniforme. MEMS: micro fori via di ceramica piezoelettrica con un diametro compreso tra φ0,05 mm e 0,2 mm. Elaborazione di microstrutture a base di silicio con dimensioni <0,1 mm. L'azienda ha fornito servizi di microlavorazione personalizzati per Huawei, BYD, Murata Manufacturing e altre aziende, elaborando 100.000 microparti all'anno.


Parametri tecnici delle apparecchiature per la lavorazione a microerosione elettrica

Categoria dei parametri

Dettagli sui parametri

Modello dell'attrezzatura

SX-100HPM

Posizionamento centrale

Fresatura micro EDM 3D ad alta precisione, lavorazione micro-ammaccature

Numero di assi e corsa

Corsa assi X/Y/Z/Z2: 250x150x150x150 mm

Precisione chiave

Precisione di posizionamento ±2μm, risoluzione 0,1μm

Capacità di microlavorazione

In grado di elaborare i microfori più piccoli da Φ0,01 mm (10μm).

Velocità di avanzamento del mandrino

Asse Z massimo 650 mm/min; massimo asse X/Y 800 mm/min

Vantaggi fondamentali

Dotato di funzioni di preparazione dei microelettrodi in linea e di misurazione laser; può essere utilizzato come fresatrice microelettroerosione CNC

Applicazioni tipiche

Parti meccaniche di microscarica elettrica di precisione, ecc


Categoria dei parametri

Dettagli sui parametri

Modello dell'attrezzatura

HQ-UA40

Posizionamento centrale

Lavorazione della superficie a specchio di microstampi ad alta precisione

Numero di assi e corsa

3 assi. Corsa X/Y/Z: 400×300×300 mm

Precisione chiave

Precisione di posizionamento ≤0,005 mm, rugosità superficiale ottimale 0,07 µm

Alimentazione ad impulsi

La corrente di elaborazione minima è di soli 0,1 A, dotata di una varietà di circuiti speciali come il circuito di stabilizzazione della tensione di lavorazione di finitura e il circuito di controllo a bassa perdita

Vantaggi fondamentali

In grado di ottenere una vera lavorazione della superficie dello specchio; Sistema CNC di tipo bus con una risoluzione di controllo di 0,01μm

Applicazioni tipiche

Lavorazione con microerosione elettrica per stampi per imballaggio, connettori e altri prodotti di alta precisione


Micro Electrical Discharge MachiningMicro Electrical Discharge Machining

Micro Electrical Discharge MachiningMicro Electrical Discharge Machining


Tag caldi: Microerosione elettrica, produttore, fornitore, personalizzato
Invia richiesta
Informazioni di contatto
Per domande sui nostri prodotti o sul listino prezzi, lasciaci la tua email e ti contatteremo entro 24 ore.
X
Utilizziamo i cookie per offrirti una migliore esperienza di navigazione, analizzare il traffico del sito e personalizzare i contenuti. Utilizzando questo sito, accetti il ​​nostro utilizzo dei cookie. politica sulla riservatezza
Rifiutare Accettare